Premium listings
-
Ningbo Inspection Service Quality Control Of Textile Electronics Blender KettleBusiness - Agent - Eagle Eyes China Inspection Company - China - April 22, 2024 - 198.00 Dollar US$Common Products Inspected in our Ningbo Inspection Service and Ningbo Quality Control Service: Textile, machinery, metallurgy, electronics, building materials, TV bracket, Flashlight, lamp, Blender, kettle, heaters, Hair dryer, Bike racks, Fireplace,...
-
Shantou Quality Control Inspection Check Of Drone Toys In Guangdong ProvinceServices - Consulting - Eagle Eyes China Inspection Company - China - April 22, 2024 - 198.00 Dollar US$Common Products Inspected in our Shantou Inspection Service and Shantou Quality Control Service: food candy, garment, headphone, speaker, toys, pajamas, Bra, plastic products, medicine, machinery, printing package, electronic information devices, aud...
foldable cart folded saving storage space Photos Catalog - page 86 - WorldBid B2B Market
-
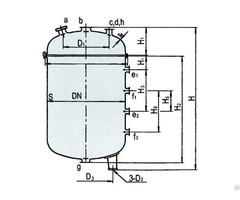
Liquid Refrigeration Storage Tanks High EfficientEquipment - HANGZHOU ROYAL - China - November 13, 2025 - 3000.00 Dollar US$introduction: characteris tic: 1. refrigeration storage tank mainly includes tank body, insulation layer, mixing system and electrical control. the refrigeration part is composed of compressor, evaporator, expansion valve, liquid reservoir, filter, e...
-
Njbinglab 20ml Pfa Test Tube With Screw Cap Round Bottom For High Purity Sample StorageGeneral Manufacturing - Nanjing Bin Zhenghong Instrument Co., Ltd - China - November 14, 2025 - 50.00 Dollar US$NJbinglab 20ml PFA (Perfluoroalkoxy) Test Tubes with screw caps are designed for the most demanding laboratory applications. Made from high-purity PFA, they offer exceptional chemical resistance and minimal trace element leaching, ensuring the integr...
-
Residential Energy Storage System 220 230 240v 5kwhElectrical Engineering - Shenzhen Changing Technology Co., Ltd - China - November 18, 2025 - contact company for priceThe 220/230/240V 5kWh Residential Energy Storage System is a compact, high-efficiency solution designed to store and deliver clean, reliable power for home use. Featuring advanced lithium battery technology, it offers a long cycle life, high energy d...
-
Small Scale C And L Energy Storage System 39 52 65kw 61 44kwhBatteries - Shenzhen Changing Technology Co., Ltd - China - November 18, 2025 - contact company for priceICHES-B is a high-voltage energy storage system specifically designed for small-scale commercial and industrial applications. It adopts LiFePO4 batteries, providing excellent safety and reliability. The system capacity is 61.44 kWh, supporting a cont...
-
Deep Freezer For Tuna Storage DeviceEquipment - Hangzhou ROYAL Pharmaceutical Equipment Co.,Ltd. - China - December 15, 2025 - 19000.00 Dollar US$Understanding complex phenomena like urban heat islands requires research built on a foundation of perfect sample preservation. You can’t afford to compromise. That’s why our ultra-low temperature freezer is engineered for the most demanding scientif...
-
Open Type Storage Tank DeviceEquipment - Hangzhou ROYAL Pharmaceutical Equipment Co.,Ltd. - China - December 15, 2025 - 18000.00 Dollar US$Consider the savings: the exceptional corrosion resistance of the glass lining eliminates the frequent and costly replacements associated with lesser materials, dramatically extending the vessel’s service life. The superior thermal conductivity of ou...
-
Glass Lined Horizontal Type Storage Tank DeviceEquipment - EDM - Hangzhou ROYAL Pharmaceutical Equipment Co.,Ltd. - China - December 15, 2025 - 17000.00 Dollar US$A chain is only as strong as its weakest link. You can have the most advanced glass-lined reactor in the world, but if your product is being compromised by a subpar storage tank, a corroded pipe, or a vulnerable valve, you’ve already lost the battle ...
-
Open Type Vertical Storage Tank DeviceEquipment - EDM - Hangzhou ROYAL Pharmaceutical Equipment Co.,Ltd. - China - December 15, 2025 - 12000.00 Dollar US$Our comprehensive portfolio of glass-lined equipment is engineered to function as a seamless, holistic solution. From our robust, jacketed storage tanks that preserve your raw materials and intermediates, to our intricate network of glass-lined pipin...
-
Close Type Vertical Storage Tank DevicesEquipment - EDM - Hangzhou ROYAL Pharmaceutical Equipment Co.,Ltd. - China - December 15, 2025 - 19900.00 Dollar US$The glass linings are perfectly matched, ensuring chemical homogeneity throughout your entire process flow. By creating a completely inert, end-to-end pathway, we eliminate the variables and risks that come from piecing together a system from differe...